欢迎来到江西省恒诚选矿设备有限公司官方网站!详情请致电:4008678193
在线客服
|
手机版
网站首页
关于恒诚
企业荣誉
生产能力
服务支持
国际合作
品牌诠释
在线订购
产品中心
实验系列设备
四辊五十筒棒磨机
六辊二十筒棒磨机
行星四筒研磨机
FX3L-12槽机械搅拌式连续浮选机
XCRS -Φ400x240电磁湿法磁选机
XFD-12多槽浮选机
BZJ-300型拍击筛
顶击式振筛机
密封锤式破碎缩分机
功指数球磨机
XFLB闭路连续式浮选机
更多>>
重力设备
液压跳汰机
移动砂金选矿
鼓动溜槽
三层、四层悬挂式摇床
玻璃钢摇床面
云锡摇床
6-S玻璃钢摇床
水套式离心机
双层摇床
双斗隔膜跳汰机
锯齿波跳汰机
破碎设备
闭路磨矿
颚式破碎机
锤式打砂机
锤式破碎机
反击式破碎机
对辊式破碎机
石碾子
球磨机
圆锥球磨机
PWC新型高效复合破碎机
洗矿设备
洗矿筛分一体机
圆筒洗矿机
螺旋洗砂机
螺旋洗矿机
分泥斗脱泥斗
斜管式高效浓密机
水力旋流器
高堰式螺旋分级机
沉没式螺旋分级机
筛分设备
滚筒筛
振动筛金一体机
密封式滚筒筛
脱水筛
小型移动滚筒筛
自动中心振筛
圆振筛
水力分级箱
水力分级机
输送设备
电磁振动给料机
DK型圆盘给矿机
皮带输送机
摆式给料机
槽式给料机
ZSW振动给料机
吊泵
SP液下渣浆泵
ZJ系列渣浆泵
M.AH.HH渣浆泵
螺旋输送机
浮选设备
CX擦洗机
KYF浮选机
SF浮选机
XJK型浮选机
搅拌桶
磁选设备
高压电选机
三盘磁选机
湿式磁选机
三辊磁选机
电选机
CXJ系列干式磁选机
金矿设备
蒸汞器
高频熔金炉
鼓动溜槽
锯齿波跳汰机
离心选金机
摇金盘圆形塑料盆
粘金毯
小型移动洗金机
沙金选矿设备
混汞筒
砂金专用摇床
新闻中心
公司动态
行业新闻
产品知识
解决方案
视频专区
客户案例
工艺流程
服务支持
服务理念
服务承诺
配件在线
人力资源
招聘职位
招聘流程
联系我们
首页
>
新闻中心
>
行业新闻
>
正文
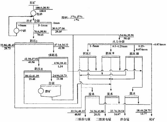
靖西锰矿重选-强磁-跳汰-摇床联合工艺流程
浏览:次 时间:2021-12-06
上一篇:
下一篇:
产品新闻
行业动态
热点关注
热销产品